Специальные цены
Доставка по России
Помощь в подборе
Качество продукции
Привод воздушной заслонки производства SIEMENS без пружинного возврата (реверсивный) для систем вентиляции зданий.
Применение привода GEB336.1E
Используется в составе центральных кондиционеров систем вентиляции для регулирования притока и вытяжки свежего воздуха.Устанавливается на:
- клапанах притока (ограничено)
- клапанах вытяжки
Особенности привода GEB336.1E
- Привод GEB336.1E относится к группе реверсивных приводов. Это означает, что в нем отсутствует пружина (нет пружинного возврата) и возвращение привода (и заслонки, которой он управляет) в исходное положение происходит не за счет срабатывания пружины, а за счет работы электродвигателя в обратную сторону. Эта особенность ограничивает применение привода GEB336.1E в составе клапанов притока воздуха, так как данные клапаны должны закрываться при отключении питания в системе (авария), а это может обеспечить только наличие пружинного возврата. В случае с реверсивным приводом, заслонка клапана останется в том же положении, что и при отключении питания. При открытом клапане холодный уличный воздух (зимой) будет поступать на секцию теплообменника и произойдет ее "замораживание".
- Привод GEB336.1E характеризуется усилием 15 Н*м, которое обеспечивает возможность управлять заслонкой клапанов притока или вытяжки площадью 3 кв.м. Однако рекомендуется производить подбор привода не по площади заслонки, а по рекомендуемому производителем системы вентиляции усилию. В случае выбора привода на замену вышедшего из строя необходимо придерживаться усилия, которое было у заменяемого.
- Электропривод GEB336.1E рассчитан на напряжение AC 230 В.
- Тип управляющего сигнала: 3-точечный. Важно учитывать тип управляющего сигнала, если привод подбирается на замену вышедшему из строя, так как данный параметр связан с контроллером системы управления вентиляций и, если выбрать привод с другим сигналом, то его будет невозможно подключен в качестве замены вышедшему из строя.
- К остальным характеристикам привода GEB336.1E можно отнести широкий диапазон рабочих температур и высокую степень IP защиты. Однако не рекомендуется устанавливать электропривод на вентиляционных установках снаружи зданий без дополнительных кожухов.
- Привод не обладает показателями взрывозащиты, поэтому на объектах, требующих степень Ex необходимо использовать специальные корпуса.
Применение
Тип применения
Вентиляция
Основные характеристики
Наличие пружины
?
Пружина используется в приводе для возвращения его в исходное положение при отключении питания. Приводы без пружины часто называют "реверсивные".
нет
Усилие, Н*м
?
Усилие, которое способен развивать привод. Как правило, является одним из определяющих свойств при выборе привода. Если вы подбираете привод на замену, то необходимо выбрать новый с таким же усилием, какое было у заменяемого.
15
Площадь заслонки кв.м.
?
Площадь заслонки (в кв.м.), которую способен "провернуть" привод. Но нужно иметь в виду, что у заслонки также есть толщина, которая может быть у разных заслонок разная. Поэтому, более правильным будет выбирать привод, исходя из усилия.
3
Напряжение питания
?
Напряжение питания привода. Чаще в Российской Федерации используются приводы с напряжением AC 230 В.
AC 230 В
Сигнал управления
?
Тип сигнала, с помощью которого контроллер системы вентиляции управляет приводом. Если вы подбираете привод на замену, то нужно учитывать тип сигнала заменяемого привода.
3-точечный
Количество переключателей
?
Как правило, если привод комплектуется дополнительными переключателями, то их количество составляет 1 и 2 штуки. Некоторые производители позволяют докупить отдельно переключатель и установить на привод.
2
Остальные характеристики
Тип конструкции привода
Поворотный
Потенциометр
нет
Дополнительные переключатели
?
Дополнительные переключатели используются для передачи в систему управления вентиляцией сигнала, что привод достиг крайнего положения.
есть
Тип напряжения
переменное
Время открытия, сек.
?
Время, которое требуется приводу, чтобы привести заслонку из закрытого положения в открытое.
150
Время закрытия, сек.
?
Время, которое требуется приводу, чтобы привести заслонку из открытого положения в закрытое.
150
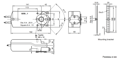
Размер квадратного штока, мм.
6,4…13
Размер круглого штока, мм.
6,4…20,5
Кабель
0,9 метра
Климатические условия
Температура окружающей среды
-32...+55℃
Температура хранения
-32…+70℃
IP класс
IP54
Весогабаритные характеристики
Вес, кг
1.1
Параметры внутри производителя
Серия
OpenAir
Линейка приводов Siemens
GEB
Заказной номер
BPZ:GEB336.1E
Замена снятого с производства товара
Артикул актуальной замены
GEB346.1E
Отзывы
Оставить отзыв
Загрузка отзывов...
Для покупки товара в нашем интернет-магазине выберите понравившийся товар и добавьте его в корзину. Далее перейдите в Корзину и нажмите на «Оформить заказ» или «Быстрый заказ».
- Когда оформляете быстрый заказ, напишите ФИО, телефон и e-mail. Вам перезвонит менеджер и уточнит условия заказа.
- Оформление заказа в стандартном режиме выглядит следующим образом. Заполняете полностью форму по последовательным этапам: адрес, способ доставки, оплаты, данные о себе. Нажмите кнопку «Оформить заказ».
Для покупки товара в нашем магазине доступны следующие варианты оплаты:
- если вы являетесь юридическим лицом, то мы выставим счет и вы сможете произвести по нему оплату. После мы предоставим все необходимые документы.
- если вы являетесь частным лицом, то возможна оплата по банковской карте или QR коду через систему Robokassa (стандартная платежная система для приема платежей в Интернет). После оплаты вы получите чек. Вы можете произвести оплату, как заранее перед получением товара, так и непосредственно у нас в офисе.
Мы осуществляем отгрузку оплаченного товара следующим образом:
- Самовывоз из нашего офиса в Москве или склада (в зависимости от местоположения товара в данный момент). Просьба заранее сообщать о планируемом визите, чтобы мы могли подготовить пропуск.
- Доставка по Москве с помощью курьерских служб за счет получателя.
- Отправка в регионы с помощью транспортных компаний. Часто используем "Деловые линии" и "СДЭК".
Близкие по техническим характеристикам товары
Статьи
Особенности выбора оборудования
Привод воздушной заслонки является обязательной частью системы автоматизации вентиляции любого здания. Он устанавливается на клапанах притока и вытяжки воздуха и выполняет роль регулирования воздушного потока, а также часто защищает теплообменник системы вентиляции от "заморозки". Как правильно подобрать привод и на какие параметры обратить внимание - об этом и пойдет речь в этой статье.
Снятые с производства товары
Приводы воздушных заслонок являются стандартным товаром с долгим циклом жизни. Это означает, что изменение в продуктовом предложении производителей происходят крайне редко и, как правило связаны с улучшением продукции и переходом на новые технологии (такой технологией на рынке вентиляции является использование протокола Modbus). В 20219-2021 году компания "Сименс" сняла с производства ряд артикулов, заменив их новыми. Ниже представлена составленная нами таблица замен.
Новости
