Специальные цены
Доставка по России
Помощь в подборе
Качество продукции
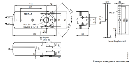
Привод воздушной заслонки производства SIEMENS с пружинным возвратом для систем вентиляции зданий.
Применение привода GMA161.1E
Используется в составе центральных кондиционеров систем вентиляции для регулирования притока и вытяжки свежего воздуха.Устанавливается на:
- клапанах притока
- клапанах вытяжки
Особенности привода GMA161.1E
- Важной характеристикой электропривода GMA161.1E является наличие пружины, которая позволяет вернуть заслонку воздушного клапана в исходное положение после отключения питания, что важно в случае аварии на объекте. На практике это означает, что после внештатного отключения электричества (в межсезонный период или зимой) приток холодного уличного воздуха через клапан будет перекрыт, что позволит избежать его попадания на секцию теплообменника. Попадание холодного воздуха на теплообменник часто привозит к его "заморозке" и выходу из строя. Поэтому, наличие пружины в электроприводе защищает теплообменник и такие приводы часто называются с "защитной функцией".
- Привод GMA161.1E характеризуется усилием 7 Н*м, которое обеспечивает возможность управлять заслонкой клапанов притока или вытяжки площадью 1.5 кв.м. Однако рекомендуется производить подбор привода не по площади заслонки, а по рекомендуемому производителем системы вентиляции усилию. В случае выбора привода на замену вышедшего из строя необходимо придерживаться усилия, которое было у заменяемого.
- Электропривод GMA161.1E рассчитан на напряжение DC 24 В.
- Тип управляющего сигнала: 0-10 В. Важно учитывать тип управляющего сигнала, если привод подбирается на замену вышедшему из строя, так как данный параметр связан с контроллером системы управления вентиляций и, если выбрать привод с другим сигналом, то его будет невозможно подключен в качестве замены вышедшему из строя.
- К остальным характеристикам привода GMA161.1E можно отнести широкий диапазон рабочих температур и высокую степень IP защиты. Однако не рекомендуется устанавливать электропривод на вентиляционных установках снаружи зданий без дополнительных кожухов.
- Привод не обладает показателями взрывозащиты, поэтому на объектах, требующих степень Ex необходимо использовать специальные корпуса.
Вес и габариты в упаковке
- Длина: 10,6 см.
- Высота: 26,1 см.
- Глубина: 9,8 см.
- Вес: 1,301 кг.
Применение
Тип применения
Вентиляция
Основные характеристики
Наличие пружины
?
Пружина используется в приводе для возвращения его в исходное положение при отключении питания. Приводы без пружины часто называют "реверсивные".
есть
Усилие, Н*м
?
Усилие, которое способен развивать привод. Как правило, является одним из определяющих свойств при выборе привода. Если вы подбираете привод на замену, то необходимо выбрать новый с таким же усилием, какое было у заменяемого.
7
Площадь заслонки кв.м.
?
Площадь заслонки (в кв.м.), которую способен "провернуть" привод. Но нужно иметь в виду, что у заслонки также есть толщина, которая может быть у разных заслонок разная. Поэтому, более правильным будет выбирать привод, исходя из усилия.
1.5
Напряжение питания
?
Напряжение питания привода. Чаще в Российской Федерации используются приводы с напряжением AC 230 В.
DC 24 В
Сигнал управления
?
Тип сигнала, с помощью которого контроллер системы вентиляции управляет приводом. Если вы подбираете привод на замену, то нужно учитывать тип сигнала заменяемого привода.
0-10 В
Количество переключателей
?
Как правило, если привод комплектуется дополнительными переключателями, то их количество составляет 1 и 2 штуки. Некоторые производители позволяют докупить отдельно переключатель и установить на привод.
нет
Остальные характеристики
Тип конструкции привода
Поворотный
Дополнительные переключатели
?
Дополнительные переключатели используются для передачи в систему управления вентиляцией сигнала, что привод достиг крайнего положения.
нет
Тип напряжения
постоянное
Время открытия, сек.
?
Время, которое требуется приводу, чтобы привести заслонку из закрытого положения в открытое.
90
Время закрытия, сек.
?
Время, которое требуется приводу, чтобы привести заслонку из открытого положения в закрытое.
15
Размер квадратного штока, мм.
6,4…13
Размер круглого штока, мм.
6,4…20,5
Кабель
0,9 метра
Климатические условия
IP класс
IP54
Весогабаритные характеристики
Вес, кг
1.301
Параметры внутри производителя
Серия
OpenAir
Линейка приводов Siemens
GMA
Заказной номер
BPZ:GMA161.1E
Аналоги других производителей
Отзывы
Оставить отзыв
Загрузка отзывов...
Для покупки товара в нашем интернет-магазине выберите понравившийся товар и добавьте его в корзину. Далее перейдите в Корзину и нажмите на «Оформить заказ» или «Быстрый заказ».
- Когда оформляете быстрый заказ, напишите ФИО, телефон и e-mail. Вам перезвонит менеджер и уточнит условия заказа.
- Оформление заказа в стандартном режиме выглядит следующим образом. Заполняете полностью форму по последовательным этапам: адрес, способ доставки, оплаты, данные о себе. Нажмите кнопку «Оформить заказ».
Для покупки товара в нашем магазине доступны следующие варианты оплаты:
- если вы являетесь юридическим лицом, то мы выставим счет и вы сможете произвести по нему оплату. После мы предоставим все необходимые документы.
- если вы являетесь частным лицом, то возможна оплата по банковской карте или QR коду через систему Robokassa (стандартная платежная система для приема платежей в Интернет). После оплаты вы получите чек. Вы можете произвести оплату, как заранее перед получением товара, так и непосредственно у нас в офисе.
Мы осуществляем отгрузку оплаченного товара следующим образом:
- Самовывоз из нашего офиса в Москве или склада (в зависимости от местоположения товара в данный момент). Просьба заранее сообщать о планируемом визите, чтобы мы могли подготовить пропуск.
- Доставка по Москве с помощью курьерских служб за счет получателя.
- Отправка в регионы с помощью транспортных компаний. Часто используем "Деловые линии" и "СДЭК".
Статьи
Особенности выбора оборудования
Привод воздушной заслонки является обязательной частью системы автоматизации вентиляции любого здания. Он устанавливается на клапанах притока и вытяжки воздуха и выполняет роль регулирования воздушного потока, а также часто защищает теплообменник системы вентиляции от "заморозки". Как правильно подобрать привод и на какие параметры обратить внимание - об этом и пойдет речь в этой статье.
Снятые с производства товары
Приводы воздушных заслонок являются стандартным товаром с долгим циклом жизни. Это означает, что изменение в продуктовом предложении производителей происходят крайне редко и, как правило связаны с улучшением продукции и переходом на новые технологии (такой технологией на рынке вентиляции является использование протокола Modbus). В 20219-2021 году компания "Сименс" сняла с производства ряд артикулов, заменив их новыми. Ниже представлена составленная нами таблица замен.
Новости
