Привод огнезадерживающего клапана (ОЗК) GNA326.1E/12 производства компании SIEMENS с пружинным возвратом.
Применение пожарного привода GNA326.1E/12
Используется в составе систем пожарной безопасности зданий для установки на огнезадерживающих клапанах (ОЗК).В случае срабатывания системы пожарной безопасности здания привод должен закрыть клапан и тем самым перекрыть возможное распространение огня по каналам вентиляции. Важно, что заслонка вентиляционного клапана должна закрыться даже в случае отключения системы электропитания (аварийный режим) здания. Это требование обеспечивается за счет наличия в составе привода GNA326.1E/12 пружины. Именно она закрывает клапан при отключении питания на объекте.
Особенности электропривода GNA326.1E/12
- Наличие пружинного возврата (привод возвращает заслонку клапана ОЗК в исходное положение при отключении питания)
- Привод GNA326.1E/12 обладает усилием 7 Н*м. Как правило, пожарные клапаны (в частности клапаны ОЗК) комплектуются приводами на заводе-изготовителе клапанов и поступают на объект уже в собранном виде. При этом производитель клапана выбирает усилие привода, исходя из площадки заслонки и других параметров.
- Электропривод GNA326.1E/12 рассчитан на напряжение AC 230 В.
- Тип управляющего сигнала: 2-точечный. В качестве управляющего сигнала в системах пожарной безопасности зданий необходимо использовать тот который поддерживается блоком управления.
- Время открытия привода составляет: 90 секунд.
- Время закрытия привода (время работы пружины): 15 секунд.
- Привод комплектуется 2 переключателями, которые передают сигнал в систему управления о достижении заслонкой крайних положений.
Вес и габариты в упаковке
- Длина: 11,1 см.
- Высота: 25,3 см.
- Глубина: 9,4 см.
- Вес: 1,541 кг.
Применение
Тип применения
Для клапанов ОЗК
Основные характеристики
Наличие пружины
?
Пружина используется в приводе для возвращения его в исходное положение при отключении питания. Приводы без пружины часто называют "реверсивные".
есть
Усилие, Н*м
?
Усилие, которое способен развивать привод. Как правило, является одним из определяющих свойств при выборе привода. Если вы подбираете привод на замену, то необходимо выбрать новый с таким же усилием, какое было у заменяемого.
7
Площадь заслонки кв.м.
?
Площадь заслонки (в кв.м.), которую способен "провернуть" привод. Но нужно иметь в виду, что у заслонки также есть толщина, которая может быть у разных заслонок разная. Поэтому, более правильным будет выбирать привод, исходя из усилия.
1
Напряжение питания
?
Напряжение питания привода. Чаще в Российской Федерации используются приводы с напряжением AC 230 В.
AC 230 В
Сигнал управления
?
Тип сигнала, с помощью которого контроллер системы вентиляции управляет приводом. Если вы подбираете привод на замену, то нужно учитывать тип сигнала заменяемого привода.
2-точечный
Количество переключателей
?
Как правило, если привод комплектуется дополнительными переключателями, то их количество составляет 1 и 2 штуки. Некоторые производители позволяют докупить отдельно переключатель и установить на привод.
2
Остальные характеристики
Тип конструкции привода
Поворотный
Дополнительные переключатели
?
Дополнительные переключатели используются для передачи в систему управления вентиляцией сигнала, что привод достиг крайнего положения.
есть
Тип напряжения
переменное
Время открытия, сек.
?
Время, которое требуется приводу, чтобы привести заслонку из закрытого положения в открытое.
90
Время закрытия, сек.
?
Время, которое требуется приводу, чтобы привести заслонку из открытого положения в закрытое.
15
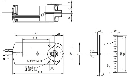
Размер квадратного штока, мм.
12x12
ТРУ
?
ТРУ - треморазмыкающее устройство. Используется в составе приводов для огнезадерживающих клапанов.
Нет
Кабель
0,9 метра
Климатические условия
IP класс
IP54
Весогабаритные характеристики
Вес, кг
1.541
Параметры внутри производителя
Серия
OpenAir
Линейка приводов Siemens
GNA
Заказной номер
BPZ:GNA326.1E/12
Отзывы
Оставить отзыв
Загрузка отзывов...
Для покупки товара в нашем интернет-магазине выберите понравившийся товар и добавьте его в корзину. Далее перейдите в Корзину и нажмите на «Оформить заказ» или «Быстрый заказ».
- Когда оформляете быстрый заказ, напишите ФИО, телефон и e-mail. Вам перезвонит менеджер и уточнит условия заказа.
- Оформление заказа в стандартном режиме выглядит следующим образом. Заполняете полностью форму по последовательным этапам: адрес, способ доставки, оплаты, данные о себе. Нажмите кнопку «Оформить заказ».
Для покупки товара в нашем магазине доступны следующие варианты оплаты:
- если вы являетесь юридическим лицом, то мы выставим счет и вы сможете произвести по нему оплату. После мы предоставим все необходимые документы.
- если вы являетесь частным лицом, то возможна оплата по банковской карте или QR коду через систему Robokassa (стандартная платежная система для приема платежей в Интернет). После оплаты вы получите чек. Вы можете произвести оплату, как заранее перед получением товара, так и непосредственно у нас в офисе.
Мы осуществляем отгрузку оплаченного товара следующим образом:
- Самовывоз из нашего офиса в Москве или склада (в зависимости от местоположения товара в данный момент). Просьба заранее сообщать о планируемом визите, чтобы мы могли подготовить пропуск.
- Доставка по Москве с помощью курьерских служб за счет получателя.
- Отправка в регионы с помощью транспортных компаний. Часто используем "Деловые линии" и "СДЭК".
Близкие по техническим характеристикам товары
Статьи
Снятые с производства товары
Приводы воздушных заслонок являются стандартным товаром с долгим циклом жизни. Это означает, что изменение в продуктовом предложении производителей происходят крайне редко и, как правило связаны с улучшением продукции и переходом на новые технологии (такой технологией на рынке вентиляции является использование протокола Modbus). В 20219-2021 году компания "Сименс" сняла с производства ряд артикулов, заменив их новыми. Ниже представлена составленная нами таблица замен.
Новости
